Fabriquer son four de trempe

Afin d'effectuer de la manière la plus précise vos traitements thermiques, indispensables à la qualité structurelle de vos lames et éléments mécaniques, je vous conseille vivement d'avoir dans votre atelier un four de trempe. Cela vous permettra également de travailler sur des aciers inox qui ont besoins d'un temps de maintient et des températures de trempe très précisent.
Etant un outil relativement cher, il est possible de se le fabriquer à moindre coût. Dans cet article, je vais vous expliquer les branchements à faire, comment procéder pour la structure du four, faire son isolation thermique, et enfin la démarche à suivre afin de programmer le boîtier de commande.
Ne vous inquiétez pas ... il n'y a rien de bien compliquer.
Pour commencer, voici la liste des différents matériaux dont vous aurez besoin :
- Prévoir un thermocouple et un contrôleur (REX C100) relier à un relais (SSR) afin de connaître et réguler la température interne du four
- Des résistances en kanthal (longueur, épaisseur ...)
- Monter un interrupteur on/off ou un contacteur pour couper le jus lors de l'ouverture de la chambre.
- Assurer un bon câblage électrique avec des fils de 6mm et des dominos céramiques (résistants à la chaleur).
- béton cellulaire (siporex)
- ciment réfractaire
- agrafes kanthal
- barres en L en 3mm d'épaisseur
- plaque d'acier 1 mm d'épaisseur
- laine céramique
Maintenant il va vous falloir :
- Définir les besoins : Identifier la taille maximale des lames que le four devra traiter, la plage de température dont vous aurez besoin en fonction des aciers que vous comptez utiliser.
- Concevoir les plans (structure du four/schéma électrique) : Déterminer le schéma électrique à suivre. Dessiner un plan détaillé du four, en fonction de vos besoins prédéfinis précedemment, incluant les dimensions internes/externes, l’isolation, le système de chauffage, et le boîtier extérieur.
- Programmer le REX C100 : afin d'assurer le bon fonctionnement du four.
. Définir les besoins
Personnelement, je suis parti sur un four avec une contenance de 4L (la contenance déterminant les résistances à installer) : la chambre mesure 10*10*40cm. Cela me permet de tremper autant des petites pièces de couteaux pliants, que des plus grandes telles que des couteaux de cuisine d'une trentaine de centimêtres. Utilisant de l'acier carbone ainsi que de l'acier inox, j'ai besoin que mon four puisse aller de 810 à 1050°C.
. Concevoir les plans

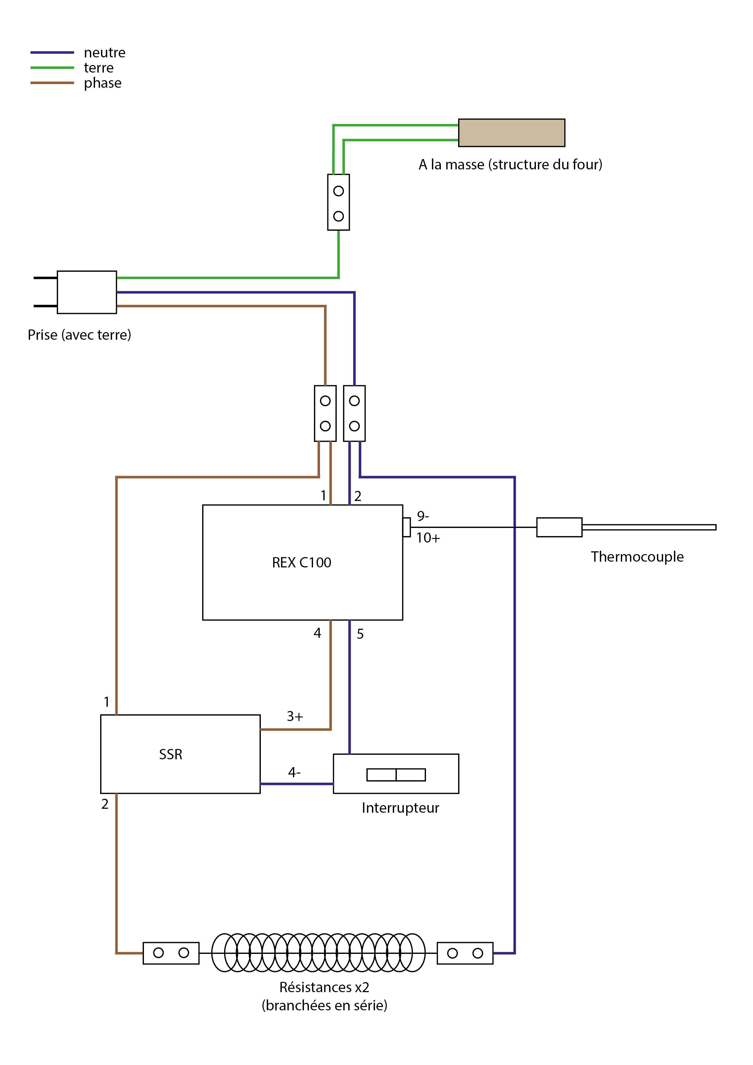
Le schéma ci-dessus présente brièvement comment est-ce que j'ai procédé pour fabriquer la base du four. Le syporex ou béton cellulaire est un matériau qui se travaille très facilement : vous pouvez le découper avec une scie à bois et pour aplanir les faces, vous servir d'une calle entouré de papier à poncer en 180. Afin de lier les différents éléments entre eux, je me suis servi de ciment réfractaire pour cheminer. Pour accueillir les résistances, j'ai tailler deux saignées au tournevis plat. J'ai récupéré des chutes de fil kenthal pour fabriquer des agrafes afin de fixer les résistances au fond de ces saignées. Pour faire passer le thermocouple j'ai perçé un trou à un diamêtre légèrement au dessus de ce dernier, à l'arrière du four, afin d'y couler un peu de ciment réfractaire pour assurer l'étanchéité. Toujours à l'arrière du four, il faut prévoir des petites saignées entre les briques, qui acceuilleront le cul des résistances. Les résistances étant branchées en série, cela est assuré par des dominos en céramiques (résistants à la chaleur). Maintenant il va vous falloir habiller cette strucure par de la laine céramique (vous n'êtes pas obligé mais je vous le conseille fortement) dans le but de conserver la chaleur et réduire la consommation en énergie. Et enfin, afin de maintenir tout cela ensemble, il va falloir construire une structure en acier avec de bonnes soudures afin d'assurer l'étanchéité. Une petite couche de peinture haute température (pour cheminée) plus tard, voilà votre four terminé ... enfin presque.

Maintenant que la structure du four est terminée, vous allez pouvoir vous attaquer aux branchements électriques. Ci-dessus, le schéma électrique à suivre. Pensez à prendre de bonnes longueures de câbles pour ne pas être embété, quitte à couper le surplus, et une section de câble de 6mm car pas mal de courant circule dans cette installation. Une fois les branchements faits, il va falloir programmer le REX C100 (panneau de controle). Pour cette partie je n'ai rien inventé, j'ai tout bêtement suivi un tuto youtube. J'ai bien essayé de comprendre mais très franchement bon courage à vous si cela vous prends l'envie d'essayer.
. Programmer le REX C100
Voici la procédure à suivre afin de programmer le REX C100 et assurer une montée en température progressive et stable.
--> Avant de profiter plainement de votre nouveau four de trempe, je vous conseille de monter en température par plancher de 200°C, avec un temps de maintient de 30 min. Cela va permettre au four de chasser toute l'humidité et de contraindre les différents matériaux, petit à petit, aux fortes températures.
